TIPOS, APLICAÇÕES E TECNOLOGIAS
Marcos Portnoi
"Se o mundo fosse perfeito, não seria."
-- Yogy Berra
"Não tenha medo da perfeição. Você nunca vai atingi-la."
--Salvador Dali
"As pessoas esquecerão quão rápido você fez um trabalho, mas sempre lembrarão quão bem você o fez."
--Howard Newton
Sumário
A memória é um dispositivo destinado a armazenar dados para uso de um outro dispositivo, como por exemplo, um computador. A maioria dos dispositivos de memória representa os dados de forma binária, com 0’s e 1’s. Num computador, estes números correspondem aos estados "ligado" e "desligado" do circuito eletrônico. Cada dígito binário é chamado bit, que é a unidade básica de memória num computador. Um grupo de oito bits é denominado byte, e pode representar números decimais de 0 a 255.
Os primeiros computadores por volta do ano 1940 e início de 1950 usavam tubos de raios catódicos, similares aos tubos de televisão, para armazenar dados. A cobertura fosforescente num CRT (do inglês Cathode Ray Tube) permanece acesa por um curto período depois que um feixe de elétrons a atinge. Desta maneira, um padrão de pontos poderia ser escrito num CRT, representando 1’s e 0’s, e poderiam então ser lidos antes que apagassem. Um tubo usado para armazenamento de dados tinha de sofrer refresh, ou seja, os dados tinham de ser lidos antes que a luminosidade sumisse e então regravados, para que se mantivessem íntegros. Um CRT típico mantinha 128 bytes, e a memória completa de um computador típico ficava na faixa de 4 Kbytes.
Por volta de 1950, a IBM desenvolveu as memórias de núcleo magnético, ou magnetic core memory. Estas memórias consistiam de pequenos anéis de material magnético costurados em malhas de fios finos. Quando o computador enviava uma corrente através de um par de fios, o anel na interseção destes fios magnetizava-se no sentido dos ponteiros do relógio ou no sentido inverso (correspondendo, pois, a um 0 ou a um 1), dependendo do sentido da corrente. A memória magnética foi usada durante 1960 até a década de 1970.
O próximo passo do desenvolvimento de memórias veio com a introdução dos circuitos integrados, que permitiam a colocação de múltiplos transístores em um só chip. Cientistas desenvolveram a primeira memória deste tipo ao construir um supercomputador experimental chamado Illiac-IV no final da década de 1960. Estas memórias, baseadas em semicondutores, rapidamente superaram as memórias magnéticas e serão o escopo do presente estudo, com enfoque para memórias destinadas a computadores.
O primeiro passo no fabrico de qualquer dispositivo semicondutor é a obtenção de materiais semicondutores, tais como germânio, silício, selênio ou arseneto de gálio, com o nível de pureza desejado.
O semicondutor é basicamente um material de condutividade intermediária entre isolantes e condutores. Sob baixas temperaturas, semicondutores puros comportam-se como isolantes. Sob altas temperaturas, sob luz ou ainda com adição de impurezas, a condutividade dos semicondutores pode ser dramaticamente aumentada, alcançando valores próximos aos dos metais. Isto deve-se ao aumento do número de elétrons de condução, que são os portadores da corrente elétrica.
Num semicondutor puro ou intrínseco, como o silício, os elétrons de valência estão emparelhados e compartilhados entre átomos formando ligações covalentes no retículo cristalino do sólido. Estes elétrons de valência não estão livres para carregar corrente elétrica. Para produzir elétrons de condução, temperatura ou luz é usada para excitar os elétrons de valência de modo que atinjam níveis mais altos de energia, libertando-os da ligação covalente. Elétrons libertos da ligação covalente deixam atrás de si um "buraco" ou "lacuna", que por sua vez serão preenchidos por outro elétron, contribuindo para o fluxo de corrente elétrica.
A Energia é Quantizada: a Teoria das Bandas
A energia dos elétrons é quantizada. Portanto, há números discretos de energia que um elétron pode absorver ou emitir, ou ainda, níveis discretos de energia onde ele pode estar num átomo. Para excitá-lo, quantidade suficiente de energia deve ser dada a um elétron de modo que ele "salte" de um nível quântico para outro. Do mesmo modo, ao descer um nível quântico, um elétron emite uma quantidade discreta ou quântica de energia: um fóton de energia.
Num retículo cristalino de sólido, a interação entre elétrons dos átomos próximos cria outros níveis possíveis de energia para cada elétron. A soma destes vários níveis possível resulta em bandas amplas, no interior das quais um elétron pode assumir vários valores de energia. Entre as bandas possíveis, há as bandas proibidas, região onde um elétron não pode estar (ou nível energético impossível, pela teoria quântica). Assim sendo, num retículo cristalino de sólido, não há camadas de valência, mas sim bandas de valência. Ao excitar elétrons da banda de valência, estes podem ganhar energia e passar para a banda de condução. A Figura 1 ilustra o processo de formação de bandas de energia devido à interação de elétrons próximos num sólido, e a Figura 2 ilustra as bandas para as três classificações de material.

Figura 1: Formação das bandas de energia.

Figura 2: Bandas de energia no condutor, semicondutor e isolante.
O principal processo, entretanto, e o que dá aos semicondutores as características que os tornaram a principal matéria-prima da eletrônica em larga escala, é a dopagem. O processo consiste em, através de processos químicos, introduzir no retículo cristalino do semicondutor um átomo de outra substância, que virá a substituir o átomo original da substância semicondutora. A diferença no número de elétrons de valência entre o material dopante (sejam doadores ou receptores de elétrons) e o material semicondutor resultará em portadores negativos (semicondutor tipo n) ou positivos (semicondutor tipo p) de eletricidade. A dopagem pode ser feita de quatro maneiras:
durante o crescimento do cristal;
por liga;
por difusão;
por implantação iônica.
1. Durante o crescimento do cristal
O material de base sofre um aquecimento até se transformar em massa cristalina fundente, estado em que se efetua o acréscimo do material de dopagem. Durante esse processo térmico, o cristal cresce, posicionando-se os átomos da dopagem na própria cadeia cristalina que se forma.
2. Por liga
O material de base é levado à fusão conjuntamente com o de acréscimo, formando-se assim uma liga. Após essa formação e esfriamento, os dois materiais estão agregados entre si.
3. Por implantação iônica
Átomos eletricamente carregados com íons de material dopante em estado gasoso são acelerados por um campo elétrico e injetados na cadeia cristalina do semicondutor. O método da implantação iônica é o mais preciso e o mais sofisticado entre os mencionados, permitindo um ótimo controle tanto de posicionamento quanto de concentração da dopagem feita.
4. Por difusão
Na difusão, vários discos do semicondutor tetravalente básico, como o silício, são elevados a temperaturas da ordem de 1.000oC e, nessas condições, colocados na presença de metais em estado gasoso, como o boro. Os átomos do metal em estado gasoso difundem-se no cristal sólido. Sendo o material sólido do tipo n, cria-se, assim, uma zona p.
Este conceito é ilustrado nos diagramas seguintes de um cristal de silício dopado. Cada cristal de silício tem quatro elétrons de valência. Dois são necessários para formar uma ligação covalente. No silício tipo n, um átomo de fósforo com cinco elétrons de valência substitui alguns átomos de silício e provê elétrons extras. Num silício tipo p, um átomo de boro ou alumínio, com três elétrons de valência, substitui um átomo de silício, resultando numa deficiência de elétrons ou lacuna, que atuam como cargas positivas ou portadores de carga positiva.
|
|
![]() |
Figura 3: Dopagem de silício com fósforo (semicondutor tipo n).

Figura 4: Dopagem do silício com alumínio (semicondutor tipo p).
Quando, em um semicondutor, uma região do tipo p e uma do tipo n estão adjacentes, elas formam a chamada junção pn. Esta junção tem a característica de oferecer boa condução de corrente se polarizada diretamente (ou seja, com a região p conectada ao pólo positivo da fonte e a região n conectada ao pólo negativo) e uma resistência muito alta se polarizada inversamente. As características de condução não são lineares, e são essas características que são exploradas em elementos como o transistor.
O germânio é um dos materiais semicondutores mais antigos. Sua existência foi prevista pelo químico russo Dmitry Mendeleyev em 1871: ele deveria estar localizado abaixo do silício na Tabela Periódica, e denominou-o ekasilício. Ele foi de fato descoberto pelo químico alemão Clemens Alexander Winkler em 1886. É encontrado em pequenas quantidades em minérios de zinco, pó de carvão e mesmo nas águas do mar. Nos minérios, vem acompanhado, além do zinco, também com ferro e cobre, que se encontram em porcentagens bem superiores ao próprio germânio. Por essas razões, a extração do germânio é extremamente difícil e onerosa. É uma substância dura porém quebradiça, não suportando qualquer tipo de esforço mecânico. Oxida-se em presença do ar, formando uma finíssima película de óxido de germânio (GeO2). A água praticamente não tem influência sobre o germânio, sendo resistente a ácidos. O germânio para fabricação de componentes semicondutores deve apresentar elevada pureza. O germânio foi o primeiro metal usado na fabricação do transistor.
Semi-metal, o silício é o segundo elemento mais abundante na Terra, depois do oxigênio. Constitui aproximadamente 28% da crosta terrestre. Foi isolado pela primeira vez em 1823 pelo químico sueco Baron Jöns Jakob Berzelius.
Usado freqüentemente na área dos semicondutores, tem os métodos de dopagem e obtenção bastante semelhantes ao usados com o germânio. O silício é termicamente mais estável do que o germânio, podendo ser usado a temperaturas ambiente de até 150oC. Isso permite reduzir as perdas de corrente, elevando o rendimento e simplificando os métodos de refrigeração dos dispositivos feitos de silício. Esses aspectos, juntamente com sua abundância e baixo custo, justificam a ampla predominância atual do uso do silício como matéria-prima para a construção de componentes semicondutores, apesar de que a condutividade do germânio é bastante superior à do silício. O silício produzido para uso da indústria de componentes assume a forma de tarugos, que são então fatiados para produzir finas lâminas, onde serão desenhados os circuitos, como será explicado a seguir.
Em sua forma natural, é encontrado em rochas e em minérios como o quartzo, o feldspato e a mica. A areia é composta em parte por silício, entrando também na composição de diversos isolantes, como o vidro. A areia não é própria para a obtenção do silício a ser usado na produção de componentes semicondutores, devido a suas impurezas. O processo de purificação do silício, necessário a fim de se obter o silício de alta pureza para fabrico de componentes semicondutores, é bastante complexo. O composto mais característico do silício é o dióxido de silício (SiO2).
O silício não é encontrado livre na natureza: ele deve atravessar processos industriais a fim de resultar num silício cristalino ou amorfo, dependendo do processo usado. O silício amorfo é um pó de cor marrom. O cristalino é uma substância de cor negra, frágil, quebradiço, de brilho metálico, quimicamente bastante inerte.
Um circuito integrado, por definição, é um circuito eletrônico minúsculo usado para executar uma função eletrônica específica, como amplificação. É usualmente combinado com outros componentes para formar um sistema mais complexo. É formado como uma unidade por difusão de impurezas numa lâmina de silício monocristalino (cortada previamente de um tarugo), ou ainda desenhado sobre esta lâmina por meio de feixes de elétrons. Muitas centenas de circuitos integrados (CI’s) são feitos de uma só vez na lâmina de silício (chamada wafer) com vários centímetros de diâmetro, e então o wafer é cortado de modo a gerar os CI’s individuais, agora denominados chips.
Na integração em larga escala (Large Scale Integration ou LSI), cerca de 5.000 elementos de circuitos, como resistores e transistores são combinados num quadrado de silício medindo aproximadamente 1,3cm de um lado. Centenas desses circuitos integrados podem ser enfileirados num wafer de 8 a 15 cm de diâmetro. Elementos individuais num chip são interconectados por um fino filme metálico ou semicondutor, que são por sua vez isolados do resto do circuito por camadas finas de dielétricos. Os chips são então montados em pacotes contendo terminais elétricos para permitir a inserção em placas de circuito impresso e conseqüente interligação com outros circuitos e componentes.
Durante a última década, a capacidade funcional dos CI’s tem aumentado de maneira estável, e seu custo diminuído na mesma proporção. Isto produziu mudanças revolucionárias nos equipamentos eletrônicos – vasto aumento na capacidade funcional e confiabilidade, combinada com grande redução no tamanho, complexidade física e consumo de energia. Computadores, particularmente, têm se beneficiado enormemente. As funções lógicas e aritméticas de um computador pessoal podem ser realizadas num único chip VLSI (Very Large Scale Integration), chamado microprocessador, e as funções aritméticas, lógicas e de memória completas podem ser empacotadas numa única placa de circuito impresso, ou até num único chip. Este é o chamado microcomputador. Um microprocessador atual pode chegar a ter 25 milhões de transistores no circuito integrado, cada transistor tendo cerca de 0,13 microns (0,13 milionésimos de um metro) de diâmetro. Um fio de cabelo humano tem cerca de 30 microns de diâmetro.
As memórias de computador são tipicamente circuitos integrados, podendo também chegar a vários milhões de transistores e também capacitores semicondutores.

Figura 5: No estágio final de design, um wafer de circuitos integrados é testado por pontas de prova. Cada quadrado dourado no wafer é um circuito integrado individual.
|
|
|
|
(a) |
(b) |
Figura 6: (a) Microprocessador F-100 com área de 0,6 cm2 e é pequeno o suficiente para passar pelo buraco de uma agulha. (b) Microprocessador com encapsulamento DIP, com duas fileiras de terminais para conexão com a placa de circuito impresso.
As memórias podem ser basicamente divididas em alguns tipos, a seguir:
Não voláteis
ROM
PROM
EPROM
EEPROM
Flash RAM
Voláteis
RAM estática
RAM dinâmica
Abordar-se-á a seguir características de cada uma, e das RAM’s dinâmicas de uma forma mais extensa, já que este grupo é o mais representativo na esfera dos computadores.
As memórias não-voláteis caracterizam-se por não perder os dados gravados ao cessar-se a alimentação elétrica. A exceção é a Flash RAM, que é na verdade constantemente alimentada por uma bateria, por isso sendo considerada não-volátil. São usadas portanto para registro de dados por um tempo mais longo e que não necessitem de atualização constante. São tipicamente mais lentas que as memórias dinâmicas.
Do inglês Read-only Memory, a ROM é uma memória somente de leitura, ou seja, não permite gravação. Em computadores antigos, a ROM continha a programação que permite um computador iniciar sua operação e ler o sistema operacional gravado no disco rígido. Em computadores modernos, essa programação é feita em memória não volátil, mas que permite gravação, como se verá a seguir. Os dados da ROM são gravados na ocasião de sua fabricação. Microprocessadores contém pequenas porções de ROM dentro de si, onde são guardados microprogramas que orientam seu funcionamento.
A PROM, ou Programmable Read-only Memory, é uma ROM que é fornecida virgem para o comprador. Este então deve utilizar um equipamento especial para gravar na PROM os dados desejados. A gravação é feita de uma só vez, para toda a capacitade da PROM, e uma vez realizada, não pode mais ser desfeita. A PROM tampouco perde seu conteúdo na ausência de uma fonte de eletricidade. É um produto mais vantajoso comercialmente que as ROM’s, já que pode ser fabricado em grandes lotes, enquanto que as ROM’s devem ser customizadas dependendo do uso.
A EPROM (Erasable Programmable Read-only Memory) é uma PROM que pode ter seus dados apagados e reutilizada. O processo de apagamento consiste em irradiar luz ultravioleta intensa através de uma janela desenhada dentro do chip de memória. Como a luz solar pode causar este apagamento, esta janela é usualmente coberta por uma etiqueta protetora.
|
|
|
|
(a) |
(b) |
Figura 7: (a) EPROM, onde pode-se ver a janela para irradiação ultravioleta. (b) Apagador de EPROM.
Do inglês Electrically Erasable Programmable Read-only Memory, ou EAROM (Electrically Alterable Read-only Memory), a EEPROM é uma ROM programável pelo usuário e que pode ser apagada e reprogramada repetidamente através da aplicação de uma tensão mais elevada que a tensão normal de operação. Diferentemente das EPROM’s, as EEPROM’s não precisam ser removidas do equipamento ou computador para ser modificadas. Entretanto, o apagamento e reprogramação tem de ser feito para todo o conteúdo da EEPROM, e não seletivamente. O processo de apagamento e reprogramação tem um número limitado, tipicamente da ordem de dezenas ou centenas de milhares de vezes, ao fim do qual a EEPROM chega ao fim de sua vida útil e deve ser substituída.
A memória Flash é um tipo de memória não-volátil (por ser constantemente alimentada por uma bateria), que pode ser apagada e regravada em unidades de de memória chamadas blocos. É uma variação da EEPROM que, diferentemente da memória Flash, é apagada e reescrita byte por byte, um processo mais lento que o feito em blocos. A memória Flash usa tensões usuais de um computador para apagamento e reprogramação.
A memória Flash é largamente usada para conter códigos de controle ou sistemas operacionais dedicados, como a BIOS de um computador, o programa de controle de um telefone celular, câmeras digitais, receptores de satélite domésticos, controladores embutidos, adaptadores de vídeo e outros dispositivos. O uso da memória Flash nestes dispositivos permite a atualização dos programas de controle de maneira fácil, o que traz extrema vantagem de custo e tecnologia. Todo um programa de controle de um telefone celular pode ser atualizado e funções novas serem adicionadas, sem que a parte física precise ser modificada, o mesmo acontecendo com as BIOS de computadores. Quando estes códigos precisam ser regravados, a memória Flash pode ser reescrita em blocos, facilitando a atualização. Esta característica torna-a inadequada como memória de acesso randômico (RAM), porque a RAM precisa poder ser endereçada byte a byte. (as RAM’s serão tratadas adiante.)
Usualmente chamadas de RAM’s (Random Access Memory), as memórias voláteis assim são caracterizadas por reter os dados gravados enquanto eletricidade é fornecida a elas. Assim que o fornecimento cessa, os dados são perdidos. O acesso aos dados é feito de forma aleatória ou randômica, byte a byte, através de endereços de memória, daí o nome RAM. Dividem-se basicamente em RAM’s estáticas e RAM’s dinâmicas.
A SRAM (Static Random Access Memory) armazena bits em células de transistores, que retém a informação até que esta seja alterada, diferentemente das RAM’s dinâmicas, que utilizam células compostas de um capacitor e um transistor. Como o capacitor perde sua carga em um determinado tempo, as RAM’s dinâmicas têm de ter seu conteúdo periodicamente restabelecido, numa operação chamada refresh.
As SRAM são muito mais rápidas que as RAM’s dinâmicas, e por isto mesmo mais caras. São usadas na memória cache de um computador, uma memória especializada que serve de intermediária entre os bancos principais de RAM dinâmica e o microprocessador. A cache, tipicamente de tamanho na faixa de 64 a 512Kbytes, replica dados dos bancos principais de RAM dinâmica, permitindo que o microprocessador ou CPU colete diretamente na cache os dados, sem precisar buscá-los na RAM dinâmica, mais lenta. O seu alto custo é o motivo principal pelo qual os bancos principais de RAM de um computador não são confeccionados todos em SRAM.
As DRAM ou Dinamic Random Access Memories são o tipo mais comum de RAM para uso em computadores pessoais ou de maior porte. A DRAM é dinâmica porque, ao contrário da SRAM, precisa restabelecer o conteúdo de suas células de armazenamento periodicamente (na faixa de milissegundos), no processo chamado refresh. A SRAM é isenta de refresh pois opera no princípio de corrente em movimento que é chaveada num sentido ou noutro, ao invés de uma célula de armazenamento que mantém uma carga. Esta célula é composta de um capacitor e um transistor: como o minúsculo capacitor semicondutor, existente dentro dos chips de memória DRAM, tende a perder sua carga rapidamente, torna-se necessário fazer o refresh.
Até meados de 1995 não havia muito que se dizer sobre memória RAM. Todos os PC's vinham com RAM tipo FPM (Fast Page Mode), que funcionava a uma velocidade de cerca de 100ns a 80ns. O desenvolvimento das placas-mãe e CPU sobrepujou a capacidade de fornecimento de dados da RAM FPM em tempo hábil. Atualmente, observa-se uma série de designs diferentes de RAM.
Devido a limitações de custo, todos os computadores, exceto aqueles topo de linha, têm utilizado memória DRAM (Dynamic RAM) como principal. Originalmente, estas eram assíncronas e single-bank ou banco único, uma vez que os processadores eram relativamente lentos. Mais recentemente interfaces síncronas foram produzidas, com uma série de vantagens.
Aqui se objetiva mostrar os diversos tipos de memória DRAM e suas principais características, além de uma breve descrição do funcionamento de uma DRAM.
Uma memória DRAM pode ser pensada como um arranjo de células, como uma tabela ou planilha. Estas células são feitas de capacitores e contém um ou mais bits de dados, a depender da configuração do chip. Esta tabela é endereçada através de decodificadores de linha e coluna, que por sua vez recebem seus sinais de geradores de clock, denominados geradores CAS (Column Address Strobe) e RAS (Row Address Strobe). De modo a minimizar o tamanho do pacote de dados, os endereços de linha e coluna são multiplexados em buffers. Por exemplo, se há 11 endereços, então haverá 11 linhas e 11 colunas de buffers. Transistores de acesso chamados "sense amps" ou amplificadores de sinal (numa tradução livre) são conectados a cada coluna de modo a possibilitar as operações de leitura e recuperação do chip. Uma vez que as células são capacitores que se descarregam para cada operação de leitura, o sense amp precisa recuperar ou restaurar o dado ali armazenado antes do fim do ciclo de acesso. Abaixo a Figura 8 ilustra uma célula de memória sendo acessada pela linha e coluna.
Figura 8: Acesso a célula de memória por linha e coluna. No caso, a coluna 2 e a linha 3 estão selecionadas, permitindo acesso à célula na interseção.
Os capacitores usados nas células de dados tendem a "perder" sua carga com o tempo, desta maneira requerem uma renovação constante e periódica dos dados, sob pena de estes se perderem. Este ciclo de renovação chama-se refresh cycle. Um controlador determina o tempo entre os ciclos de refresh, e um contador assegura que toda a matriz (todas as linhas) sofre refresh. Logicamente isso significa que alguns ciclos da máquina são usados para a operação de refresh, e isto impacta na performance.
Um acesso típico de memória ocorreria da seguinte maneira. Primeiro, os bits da linha de endereço são colocados nos pinos de endereçamento. Após um período de tempo o sinal RAS cai (a voltagem diminui), o que ativa os sense amps e provoca o travamento da linha de endereço no buffer. Quando o sinal RAS se estabiliza, a linha selecionada é transferida para os sense amps ou transistores. Logo após, os bits da coluna de endereço são preparados, e então travados no buffer quando o sinal CAS cai, ao mesmo tempo em que o buffer de saída (output buffer) é ativado. Quando o sinal CAS se estabiliza, os transistores selecionados alimentam seus dados para o buffer de saída.
Memória DRAM é feita de circuitos integrados, ou chips. Atualmente a memória vem no formato de "módulos" ou popularmente "pentes", que são pequenas placas de circuito impresso onde estão soldados os chips de memória. Esta placa de circuito impresso, por sua vez, é conectada na placa-mãe através de slots específicos.
SIMM é a sigla em Inglês para Single In-Line Memory Module, ou módulo de memória de linha simples. Este módulo pode conter vários chips de DRAM. Os pinos opostos de contato na parte de baixo do módulo são conectados entre si, de modo a formar apenas um contato elétrico. Módulos SIMM existem em 30 e 72 pinos, que suportam respectivamente 8 e 32 bits de dados.
Dependendo do número de bits que a CPU transfere por ciclo de clock, ou o tamanho do barramento de dados, um ou outro tipo de SIMM precisa ser usado, em uma quantidade determinada. Por exemplo, tome-se uma CPU com barramento de dados de 32 bits. Se a placa-mãe suporta SIMM's de 30 pinos, ou seja, cada SIMM suporta 8 bits, então são necessários quatro módulos SIMM's de modo a perfazer 32 bits. Este tipo de configuração é tipicamente de computadores antigos, onde havia dois bancos distintos de DRAM, cada um com quatro slots para conexão de SIMM's. A CPU acessa cada banco um de cada vez.
A Figura 9 mostra um diagrama de uma SIMM.
![]() |
![]() |
![]() |
Figura 9: DRAM em encapsulamento SIMM.
Dual In-Line Memory Module, ou módulo de memória em dupla linha. Estes módulos são muito parecidos com os módulos SIMM, a diferença reside no fato de que os pinos opostos de cada lado da placa de circuito impresso são isolados, formando conexões elétricas independentes. Módulos DIMM são usados em computadores com barramentos de memória de 64 bits ou mais, como os Pentium ou PowerPC. Têm 168 pinos e suportam 64 bits de barramento. Onde duas SIMM's de 72 pinos precisam ser usadas a fim de perfazer o barramento de 64 bits, apenas um módulo DIMM é suficiente.
RIMM é a marca comercial para um módulo de memória Direct Rambus (as memórias Rambus serão tratadas adiante). RIMM’s parecem-se com as DIMM’s, mas têm diferentes números de pinos. Os módulos RIMM transferem dados em blocos de 16 bits. O acesso e transferência mais rápidos geram mais calor; uma película de alumínio, chamada heat spreader, recobre o módulo RIMM a fim de proteger os chips de superaquecimento.
|
|
Figura 10: DRAM em encapsulamento DIMM 168 pinos.
Uma interface assíncrona é aquela onde um período mínimo de tempo é requerido e determinado de modo que uma operação se complete. A cada uma das operações internas de um chip DRAM assíncrono é determinado um tempo mínimo, de modo que se um ciclo de clock ocorre antes deste tempo mínimo, outro ciclo de clock precisa ocorrer antes que a próxima operação seja permitida começar.
É então óbvio que todas essas operações consomem um tempo significativo e provocam preocupação quanto à performance. O foco principal dos fabricantes de DRAM tem sido aumentar o número de bits por acesso, concentrar várias operações de modo a minimizar o tempo requerido ou ainda eliminar algumas operações para certos tipos de acesso.
Portas de Entrada/Saída mais largas seria o mais simples e barato método de melhorar a performance. Entretanto, uma porta mais larga significaria a necessidade de mais pinos no chip, o que resultaria em maior tamanho do encapsulamento. Ainda, a maior segmentação necessária da matriz (mais linhas de E/S = mais segmentos) resultaria numa pastilha maior de silício. Tudo isso significaria maior custo, o que questiona o objetivo da utilização de RAM dinâmica. Outro problema é que múltiplos outputs ou saídas requerem corrente elétrica adicional, causando ruído. Isso resulta num chip mais lento, pois os dados não podem ser lidos até que o sinal se estabilize. Esses problemas limitaram a largura da porta de E/S em 4 bits por bastante tempo, obrigando os desenhistas de DRAM a buscar outras soluções a fim de otimizar a performance.
Implementando modos especiais de acesso, desenhistas puderam eliminar operações internas para alguns tipos de acesso. A primeira implementação significativa foi chamada de Page Mode Access, ou acesso em modo página.
Por este método, o sinal RAS é mantido ativo, de modo que toda uma "página" de dados é também mantida nos transistores ou sense amps. Novas colunas de endereços podem ser então repetidamente sinalizadas somente pelo sinal CAS. Isto resulta em leituras muito mais rápidas, pois o tempo de preparação e manutenção das linhas de endereçamento é eliminado.
Enquanto algumas aplicações beneficiam-se enormemente deste tipo de acesso, outras não vêm qualquer vantagem. O Page Mode original foi melhorado e substituído muito rapidamente, de modo que memórias DRAM deste tipo são praticamente inexistentes atualmente.
A Figura 11 traz um diagrama que ilustra um acesso pelo modo página.
Figura 11: Acesso em modo página: toda uma linha é selecionada e assim permanece, enquanto as colunas vão sendo selecionadas conforme necessário.
Aqui toda a linha 3 é selecionada, formando a "página" 3, e nela as colunas 2 e 4 podem ser individualmente selecionadas, logicamente uma após a outra. Como geralmente blocos de memória são acessados em seqüência, a seleção de toda uma página acelera o processo.
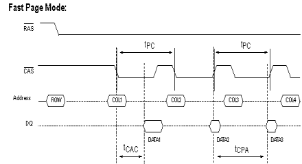
Fast Page Mode ou Modo de Acesso de Página Rápido foi uma melhora em relação ao modo de página anterior, onde o tempo de preparação da coluna de endereço foi eliminado durante o ciclo de página. Isto foi obtido através da ativação dos buffers de coluna logo na queda de sinal RAS (ao invés de CAS). Já que o sinal RAS permanece baixo durante todo o ciclo de página, isto age como uma "trava" transparente quando CAS está alto, e permite que a preparação do endereço aconteça tão logo a coluna de endereço seja válida, ao invés de esperar que o sinal CAS caia.
O FPM rapidamente tornou-se o método mais usado de acesso para DRAM's, e ainda é usado em vários sistemas. O benefício do FPM é consumo reduzido de força, principalmente porque as correntes de sinal e recuperação não são necessárias durante os acessos de página. Apesar de que o FPM foi uma importante inovação, ainda há algumas desvantagens. A mais significativa é que os buffers de saída são desligados quando o sinal CAS sobe. O tempo mínimo de ciclo antes que os buffers de saída sejam desligados é de 5ns, o que essencialmente adiciona pelo menos 5ns ao tempo do ciclo.
Memórias FPM são obsoletas e usadas hoje somente em sistemas muito antigos, como os 486.
Figura 12
: Gráfico de operação da memória Fast Page Mode.
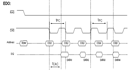
O último grande avanço para as memórias DRAM assíncronas veio na forma do Hyperpage Mode ou EDO (Extended Data Out, ou saída de dados extendida). Esta inovação foi simplesmente o não mais desligamento dos buffers de saída à subida do sinal CAS. Em essência, isso eliminou o tempo de pre-carga das colunas enquanto os dados são travados e retirados para o buffer de saída, assim permitindo que o tempo mínimo para que CAS esteja baixo fosse reduzido. A subida do sinal pode vir então mais cedo.
Em adição à melhora de cerca de 40% em tempo de acesso, EDO usa a mesma quantidade de silício e o mesmo tamanho de encapsulamento. De fato, os pentes de memória EDO são visualmente idênticos aos FPM. As memórias EDO trabalham bem com velocidades de bus de 83MHz sem perda de performance, e se os chips forem rápidos o suficiente (55ns ou mais rápidos), EDO pode ser usada até em placas-mãe com bus de 100MHz. Para clocks de até 83MHz, a diferença de velocidade entre EDO's e SDRAM's é pequena, mas é em 100MHz que a EDO é completamente derrotada em performance pelas SDRAM's, devido à necessidade de mais ciclos de máquina.
Figura 13: Gráfico de operação da memória EDO.
A memória EDO foi suplantada tecnologicamente pelas memórias SDRAM, mas ainda são encontradas em sistemas antigos.
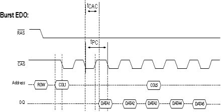
BEDO, apesar de ser um bom projeto, já nasceu morto. A adição de um modo burst ou "rajada", junto a uma arquitetura de banco duplo (dual bank) teriam proporcionado os tempos de acesso a 66MHz esperados para uma SDRAM. Modo burst é um avanço sobre o modo página, onde depois da entrada do primeiro endereço, os próximos três endereços são gerados internamente, consequentemente eliminando o tempo necessário para a entrada de uma nova coluna de endereço. A Intel, entretanto, decidiu que EDO não era mais viável, e que as memórias SDRAM eram sua arquitetura preferida. Assim, não implementaram o suporte a BEDO em seus chipsets. Com efeito, vários fabricantes de memória investiram somas consideráveis de tempo e capital no desenvolvimento das SDRAM nesta década, e eles não ficaram muito satisfeitos com a arquitetura BEDO, que prometia tempos de acesso muito baixos que rivalizariam com a SDRAM, possivelmente até mais baixos para clocks abaixo de 100MHz.
Essencialmente a BEDO perdeu suporte por motivos técnicos (uma vez que era uma outra arquitetura, incompatível com SDRAM) e político/econômicos.
Figura 14: Gráfico de operação da memória BEDO.
Assim que se tornou claro que os barramentos teriam de rodar acima de 66MHz, desenhistas de DRAM precisaram encontrar uma maneira de sobrepujar os problemas de latência que ainda existiam. Em implementando uma interface síncrona, eles foram capazes de fazê-lo e ainda ganhar mais algumas vantagens.
Com uma interface assíncrona, a CPU precisa esperar até que a DRAM complete suas operações internas, o que leva tipicamente 60ns. Através do controle síncrono, a DRAM trabalha regida pelo clock do sistema. A DRAM obtém endereço, dados e sinais de controle, e a CPU é liberada para lidar com outras funções. Após um número específico de ciclos, os dados são disponibilizados e a CPU pode lê-los das linhas de saída. O ciclo se repete sempre sob comando do clock do sistema.
Outra vantagem da interface síncrona é que o clock do sistema é a única informação de tempo que precisa ser fornecida à DRAM. Isto elimina a necessidade de múltiplos clocks ou pulsos a serem propagados. As entradas de dados são também simplificadas, pois os sinais de controle, endereços e dados podem todos ser obtidos sem necessidade de monitoramento pela CPU de tempos de preparação e manutenção. Os mesmos benefícios são aplicados à saída de dados.
Todas as DRAM's que têm uma interface síncrona são conhecidas genericamente por SDRAM's (ou Synchronous Dynamic Read-Only Memory), a exemplo de CDRAM (Cache DRAM), RDRAM (Rambus DRAM), ESDRAM (Enhanced SDRAM) e outras. O tipo de SDRAM mais comumente assim chamado é a JEDEC SDRAM. (Joint Electronics Device Engineering Council).
As JEDEC SDRAM's não apenas têm interface síncrona controlada pelo clock do sistema, como também incluem arquitetura de duplo-banco e modo burst (1-bit, 2-bit, 4-bit, 8-bit e página inteira). Um 'registrador de modo' que pode ser setado na inicialização e carregado durante a operação controla o modo burst, o tipo de burst (seqüencial ou intercalado), o tamanho e a latência CAS (1, 2 ou 3).
A latência CAS é um dos diversos tempos relacionados à performance para SDRAM. Esta medida é o tempo necessário para dar entrada na linha de endereço e ativar o banco. Quando um ciclo burst de leitura é iniciado, os endereços são preparados e o RAS e CS (chip select) são mantidos baixos no próximo ciclo de clock (subida de CLK ou clock do sistema), deste modo ativando os sense amps do banco. Um período de tempo igual a tRCD (RAS to CAS delay, ou demora entre RAS e CAS) precisa ainda passar depois que CAS e CS são mantidos baixos (no próximo ciclo de máquina). Depois do período de tempo para tCAC (column access time, ou tempo de acesso a coluna) ter passado o primeiro bit de dados está na linha de saída e pode ser recuperado (no próximo ciclo de máquina). A regra básica é que a latência CAS vezes a velocidade do clock (tCLK) precisa ser igual ou maior que tCAC (ou CL x tCLK >= tCAC). Isso significa que o tempo de acesso a coluna é o fator limitante para a latência CAS.
SDRAM's foram introduzidas como a resposta a todos os problemas de performance, entretanto tornou-se rapidamente aparente que havia um benefício reduzido de performance e muitos problemas de compatibilidade. Os primeiros módulos SDRAM continham somente duas linhas de clock, mas isso foi imediatamente reconhecido como insuficiente. Resultou-se em dois designs diferentes (2-clock e 4-clock), e cada placa-mãe admitia um padrão somente. Apesar de que os tempos de acesso deveriam ser teoricamente de 5-1-1-1 sob 66MHz, muitas das SDRAM's originais operavam somente a 6-2-2-2 quando em pares, principalmente porque os chipsets da época tinham dificuldades com a velocidade e a coordenação de acessos entre os módulos. Chipsets posteriores avançaram nesse sentido, e o chip SPD (Serial Presence Detect) foi incluído no padrão SDRAM de modo que os chipsets pudessem ler os tempos de acesso diretamente dos módulos de memória.
SDRAM's são oficialmente caracterizadas em MHz, ao invés de nanossegundos, de modo que há um denominador comum entre a velocidade do bus e a do chip. Esta velocidade é determinada dividindo-se 1 segundo (1 bilhão de nanossegundos) pela velocidade de saída do chip. Por exemplo, uma SDRAM de 67MHz tem velocidade de 15ns. Esta velocidade não é medida exatamente como uma DRAM assíncrona, o que daria uma falsa impressão de grande diferença de velocidade.
Os primeiros módulos SDRAM usaram chips de 83MHz (12ns) ou 100MHz (10ns), entretanto essas velocidades correspondiam somente ao bus de 66MHz. Estas SDRAM's são chamadas de PC66, para diferenciá-las da especificação PC100 da Intel.
Quando a Intel decidiu oficialmente implementar um bus de sistema de 100MHz, eles compreenderam que a maioria dos módulos de memória disponíveis naquela época não operariam apropriadamente acima de 83MHz. Criou-se assim a especificação PC100, de modo que os fabricantes pudessem produzir módulos que funcionassem devidamente no chipset a ser lançado, o i440BX. A especificação PC100 definida pela Intel abrange largura de traçado dos circuitos impressos e dos chips, tamanho do traçado e espaçamento, número de camadas de circuito impresso, especificações para a programação de EEPROM, etc. O tempo de acesso típico de uma SDRAM PC100 é de 4-1-1-1.
SDRAM's PC100 em barramentos de 100MHz ou mais proveram uma melhora de desempenho na ordem de 10% a 15% em sistemas Socket 7 (o padrão dos Pentium e Pentium MMX). Os Pentium II não viram uma melhora tão significativa, pois o cache L2 operava a 1/2 da velocidade da CPU.
A SDRAM PC133 é a evolução natural das PC100, agora desenhadas para um bus de 133MHz, utilizado nos Pentium III e também Pentium IV. O bus de 133MHz determinou o uso de novos chipsets padrão Intel, alguns um tanto instáveis, outros mais lentos que o bem-sucedido e estável i440BX, mas finalmente o padrão 133MHz firmou-se. A AMD, segunda maior fabricante de microprocessadores para computador do mundo e principal concorrente da Intel, desenvolveu também um padrão próprio de bus a 200MHz.
Uma limitação das SDRAM's JEDEC é que o limite teórico para o design é de 125MHz, apesar de que avanços tecnológicos podem permitir até 133MHz. É óbvio que a velocidade do bus de memória precisa crescer além disso, de modo que a largura de banda de memória fique em sintonia com futuras CPU's. Há vários "padrões" competindo no horizonte e são promissores, entretanto a maioria deles requer pinagens específicas, menores tamanhos de bus, ou outros requerimentos. A curto prazo, a SDRAM DDR (Double Data Rate ou Razão Dupla de Dados) parece bastante razoável. Essencialmente, este design permite a ocorrência de ativação de operações de saída no chip de memória tanto na subida quanto na descida de sinal de clock. Atualmente, só na subida do sinal de clock é que um evento pode ocorrer, por conseguinte a SDRAM DDR pode efetivamente dobrar a velocidade de operação para até pelo menos 200MHz.
De modo a superar alguns problemas com a latência inerente a módulos DRAM, vários fabricantes incluíram uma pequena quantidade de memória SRAM (Static RAM) diretamente no chip, efetivamente criando uma cache interna ao chip DRAM. Um destes designs que estão ganhando atenção no mercado é a ESDRAM da Ramtron International Corporation.
A ESDRAM é essencialmente uma SDRAM com uma pequena cache embutida, permitindo menores tempos de latência e operações burst de até 200MHz. Assim como a cache externa do sistema, esta cache embutida no módulo tem como objetivo armazenar os dados mais freqüentemente usados, de modo a minimizar o acesso à DRAM, que é mais lenta. Uma das vantagens deste chip interno de SRAM é que um barramento mais largo pode ser usado entre a SRAM e a DRAM, efetivamente aumentando a largura de banda e melhorando a velocidade, mesmo que haja uma "perda" (dado não encontrado) na cache.
Todas as SDRAM já discutidas têm linhas separadas de controle, endereço e dados que limitam a velocidade pela qual podem operar com a tecnologia corrente. A fim de superar essa limitação, muitos designs implementam todos esses sinais no mesmo barramento. Isso é feito através de protocolos de comunicação, donde vem o nome Protocol Based DRAM's. Os dois protocolos mais importantes são SyncLink DRAM (ou SLDRAM) e Direct Rambus DRAM (DRDRAM), da Rambus, Inc.
Desenvolvido pela Rambus, Inc., a DRDRAM ou RDRAM é extremamente rápida e usa um "canal" de transmissão de dados, que é pelo menos 10 vezes mais rápido que o DRAM padrão. Este canal é menor em largura, entretanto (16 bits versus 64 bits), o que torna a RDRAM cerca de duas vezes mais rápida que a SDRAM comum. A RDRAM opera tipicamente a 800MHz.
A alta velocidade também causa problemas, como a necessidade de fiação mais curta dentro do chip e maior blindagem de modo a prevenir interferência eletromagnética. Em adição, a RDRAM é tecnologia proprietária da Rambus e Intel (que comprou os direitos da tecnologia), portanto fabricantes devem pagar royalties a essas duas empresas, e ainda assim não terão controle sobre a tecnologia. Entretanto, a RDRAM tem visto sua utilização aumentar de maneira estável tanto em chipsets para CPU’s Pentium, como para os AMD.
A tecnologia competidora da RDRAM é suportada por um consórcio de fabricantes, e é um padrão aberto, o que significa que seu uso não obriga o pagamento de royalties. A SLDRAM também é baseada em protocolo, que usa pacotes para transmitir endereços, dados e sinais de controle. A SLDRAM pode operar em barramento mais veloz que o padrão SDRAM, até cerca de 200MHz. E a saída de dados pode operar no dobro da velocidade do clock do sistema, chegando a 400MHz ou até 800MHz num futuro próximo.
O método de trabalho da SLDRAM não requer o redesenho dos chips de memória, e devido a sua operação em freqüências mais baixas que a RDRAM, há menos problemas de ruído e interferências nos sinais. A SLDRAM também prevê a utilização de 16 bancos de memória.
O poder de fogo da Intel, que adotou a RDRAM como seu padrão e o crescente suporte dos fabricantes de placas-mãe, que vêm utilizando as memórias Rambus em seus produtos tanto para os chips Pentium como para os AMD, praticamente sepultou o futuro da SDLRAM.
Considerações Finais, Tendências Futuras
As memórias são dispositivos essenciais para praticamente qualquer equipamento eletrônico de alguma complexidade. Sejam relógios de pulso, videocassetes, automóveis ou computadores de mesa, esses equipamentos precisam guardar dados, como preferências pessoais, hora de início de uma gravação de um programa de tv, quilometragem ou programas que estão sendo executados. E, já uma realidade, cartões magnéticos que embutem um chip de memória, podendo ali guardar muito mais informações do que na simples tarja magnética.
Para o caso dos computadores, a tendência das memórias é claramente aumento constante de capacidade para o mesmo tamanho físico, aumento da velocidade de acesso e crescente redução de custo. A memória é um item sensível na performance de um computador, e atualmente tenta-se colocar o máximo possível num sistema. Um computador doméstico em 2001 tipicamente dispõe de 128MB de DRAM. Há dois anos, 32MB era o padrão. Em 2002, provavelmente os computadores domésticos não deixarão a fábrica com menos de 512MB de DRAM.
A Figura 15 traz um quadro que ilustra as diversas tecnologias de memória e a linha de tempo, para demonstrar quando emergiram e seu tempo de uso no mercado. Em 2001, as tecnologias presentes nos computadores PC são a SDRAM e suas variações e a Rambus (RDRAM). A Rambus deve gradativamente tomar lugar da SDRAM, enquanto seu custo for diminuindo, até que uma tecnologia mais avançada surja.
Figura 15: Linha de Tempo para tecnologias de memória.
BOYLESTAD, Robert; NASHELSKY, Louis. Dispositivos Eletrônicos e Teoria de Circuitos. 6. edição. Rio de Janeiro, Livros Técnicos e Científicos Editora S.A., 1999. p. 410 a 427.
ENCICLOPÉDIA Microsoft Encarta Encyclopedia Deluxe 2000. Microsoft Corporation 1993-1999.
HOWE, Denis. FOLDOC – Free On-Line Dictionary of Computing [online]. Disponível na Internet via URL: http://foldoc.doc.ic.ac.uk/foldoc/index.html. Arquivo capturado em 10.08.2001.
KINGSTON Technology Company. The Ultimate Memory Guide [online]. 2000. Disponível na Internet via URL: http://www.kingston.com/tools/umg/default.asp. Arquivo capturado em 08.08.2001.
PABST, Thomas. RAM Guide [online]. Disponível na Internet via URL: http://www.tomshardware.com/mainboard/98q4/981024/index.html. Arquivo capturado em 28.04.1999.
RIVAS, Liliana Beatriz Olivera. ROM-EPROM [online]. Disponível na Internet via URL: http://www.monografias.com/trabajos/eproms/eproms.shtml. Arquivo capturado em 10.08.2001.
SCHMIDT, Walfredo. Materiais Elétricos. Vol. 1, 2. edição revista. São Paulo, Editora Edgard Blücher Ltda., 1996. p. 87 a 103, 117 a 124.
SEDRA, Adel S.; SMITH, Kenneth C. Microeletrônica. 4. edição. São Paulo, Makron Books Ltda., 2000. p. 1151 a 1165.
TECHTARGET.com. Whatis?com [online]. Disponível na Internet via URL: http://whatis.techtarget.com. Arquivos capturados em 08.08.2001.